ڈیسورپشن الیکٹرولائٹک سسٹم کیا ہے اور یہ جدید سونا نکالنے کے لیے کیوں ضروری ہے

دیڈیسورپشن الیکٹرولیٹک سسٹمجدید سونا نکالنے میں ایک اہم ٹیکنالوجی ہے، خاص طور پر کاربن ان پلپ (سی آئی پی) اور کاربن ان لیچ (سی آئی ایل) کے عمل میں۔ یہ بلاگ اس بات کی کھوج کرتا ہے کہ نظام کیسے کام کرتا ہے، اس کے اجزاء، فوائد، اور یہ سونے کی موثر بازیافت میں ایک معیار کیوں بن گیا ہے۔ ہم یہ بھی بتاتے ہیں کہ کمپنیاں کس طرح پسند کرتی ہیں۔EPICاس میدان میں جدت پیدا کر رہے ہیں۔ آخر تک، آپ کو اس بات کی جامع سمجھ ہو جائے گی کہ یہ نظام کس طرح پیداواری صلاحیت کو بڑھاتا ہے، اخراجات کو کم کرتا ہے، اور بحالی کی شرح کو بہتر بناتا ہے۔

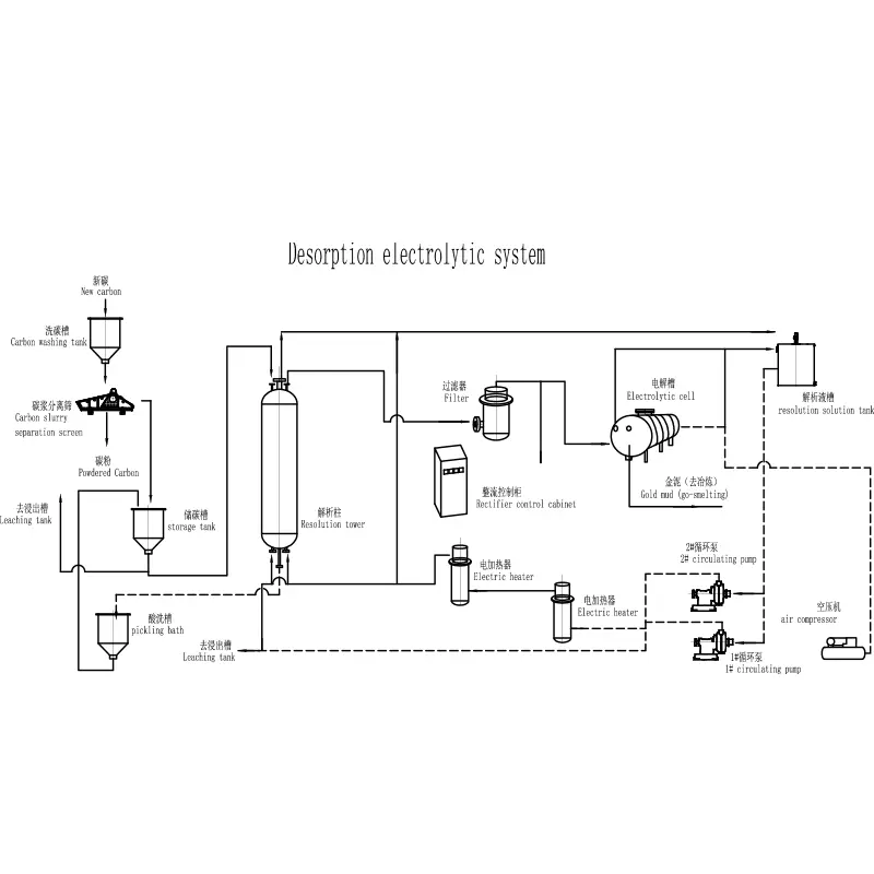
Desorption Electrolytic System

مندرجات کا جدول


ڈیسورپشن الیکٹرولیٹک سسٹم کیا ہے؟

A ڈیسورپشن الیکٹرولیٹک سسٹمایک جدید گولڈ ریکوری سسٹم ہے جو چالو کاربن سے سونا نکالنے کے لیے استعمال ہوتا ہے۔ یہ کان کنی کے کاموں میں بڑے پیمانے پر لاگو ہوتا ہے جہاں لیچنگ کے عمل کے دوران سونا کاربن کے ذرات پر جذب ہوتا ہے۔

  • ڈیسورپشن: ہائی ٹمپریچر اور ہائی پریشر سلوشنز کا استعمال کرتے ہوئے کاربن سے سونا ہٹاتا ہے۔
  • الیکٹرولیسس: محلول سے سونے کو کیتھوڈس پر نکالتا ہے۔
  • بند لوپ سسٹم: کارکردگی اور کم سے کم نقصان کو یقینی بناتا ہے۔

یہ نظام ریکوری کی کارکردگی کو بہتر بنانے اور آپریشنل لاگت کو کم کرنے کے لیے ضروری ہے، جو اسے جدید گولڈ پروسیسنگ پلانٹس میں ایک بنیادی جزو بناتا ہے۔


ڈیسورپشن الیکٹرولائٹک سسٹم کیسے کام کرتا ہے۔

اے کے کام کرنے کا اصولڈیسورپشن الیکٹرولیٹک سسٹمدو اہم مراحل پر مشتمل ہے:

  1. ڈیسورپشن سٹیج:سونے سے لدے کاربن کا علاج ایک گرم الکلائن سائینائیڈ محلول سے کیا جاتا ہے، جس سے سونے کے آئن نکلتے ہیں۔
  2. الیکٹرولیسس سٹیج:سونے سے بھرپور محلول ایک الیکٹرولیٹک سیل سے گزرتا ہے جہاں سونا سٹیل اون کیتھوڈس پر جمع ہوتا ہے۔

یہ عمل اعلی کارکردگی کو یقینی بناتا ہے اور مسلسل کام کرنے کی اجازت دیتا ہے، یہی وجہ ہے کہ کمپنیوں کے سسٹمز پسند کرتے ہیں۔EPICصنعتی ایپلی کیشنز میں بڑے پیمانے پر اپنایا جاتا ہے.


سسٹم کے اہم اجزاء

جزو فنکشن
ڈیسورپشن کالم چالو کاربن رکھتا ہے اور سونے کو ہٹانے میں سہولت فراہم کرتا ہے۔
الیکٹرولیٹک سیل برقی تجزیہ کے ذریعے سونا بازیافت کرتا ہے۔
ہیٹ ایکسچینجر مطلوبہ درجہ حرارت کو برقرار رکھتا ہے۔
فلٹر سسٹم محلول سے نجاست کو دور کرتا ہے۔
کنٹرول سسٹم آپریشن کو خودکار کرتا ہے اور پیرامیٹرز کی نگرانی کرتا ہے۔

ہر جزو اس بات کو یقینی بنانے میں اہم کردار ادا کرتا ہے کہ نظام موثر اور مستقل طور پر کام کرے۔


تکنیکی فوائد اور خصوصیات

  • اعلی سونے کی وصولی کی شرح (98٪ تک)
  • کم توانائی کی کھپت
  • کم مزدوری کے اخراجات کے لیے خودکار آپریشن
  • خلائی کارکردگی کے لیے کمپیکٹ ڈیزائن
  • کم سے کم اخراج کے ساتھ ماحول دوست

مینوفیکچررز پسند کرتے ہیں۔EPICبہتر کارکردگی اور بھروسے کو یقینی بناتے ہوئے صنعت کی ترقی کے تقاضوں کو پورا کرنے کے لیے ان سسٹمز کو مسلسل بہتر بنائیں۔


گولڈ پروسیسنگ میں درخواستیں

دیڈیسورپشن الیکٹرولیٹک سسٹموسیع پیمانے پر استعمال کیا جاتا ہے:

  • سونے کی کان کنی کے پلانٹس
  • سی آئی پی (کاربن ان پلپ) آپریشنز
  • CIL (کاربن ان لیچ) عمل کرتا ہے۔
  • گولڈ ٹیلنگ کی بازیابی۔

اس کی استعداد اسے بڑے پیمانے پر صنعتی کان کنی اور کارکردگی میں بہتری کے لیے چھوٹے آپریشنز دونوں کے لیے موزوں بناتی ہے۔


روایتی طریقوں سے موازنہ

فیچر ڈیسورپشن الیکٹرولیٹک سسٹم روایتی طریقے
کارکردگی اعلی اعتدال پسند
آٹومیشن مکمل طور پر خودکار دستی یا نیم خودکار
لاگت کم طویل مدتی لاگت زیادہ آپریشنل لاگت
ماحولیاتی اثرات کم اعلی

واضح طور پر، جدید نظام سونے کی بازیافت کی روایتی تکنیکوں کے مقابلے میں اہم فوائد فراہم کرتا ہے۔


خریداروں کے لیے سلیکشن گائیڈ

انتخاب کرتے وقت aڈیسورپشن الیکٹرولیٹک سسٹممندرجہ ذیل عوامل پر غور کریں:

  • پروسیسنگ کی صلاحیت
  • آٹومیشن لیول
  • توانائی کی کارکردگی
  • صنعت کار کی ساکھ (مثال کے طور پر، EPIC)
  • فروخت کے بعد سپورٹ

صحیح نظام کا انتخاب طویل مدتی آپریشنل کامیابی اور سرمایہ کاری پر زیادہ سے زیادہ منافع کو یقینی بناتا ہے۔


دیکھ بھال اور آپریشنل تجاویز

  • پائپ لائنوں اور والوز کا باقاعدگی سے معائنہ کریں۔
  • درجہ حرارت اور دباؤ کی سطح کی نگرانی کریں۔
  • وقتا فوقتا الیکٹرولائٹک خلیوں کو صاف کریں۔
  • ٹوٹے ہوئے اجزاء کو فوری طور پر تبدیل کریں۔
  • کارخانہ دار کی ہدایات پر سختی سے عمل کریں۔

مناسب دیکھ بھال نظام کی عمر میں نمایاں طور پر توسیع کرتی ہے اور مسلسل کارکردگی کو یقینی بناتی ہے۔


اکثر پوچھے گئے سوالات

1. ڈیسورپشن الیکٹرولیٹک سسٹم کا بنیادی مقصد کیا ہے؟

اس کا بنیادی مقصد چالو کاربن سے سونا موثر طریقے سے نکالنا اور بازیافت کرنا ہے۔

2. نظام کتنا موثر ہے؟

زیادہ تر سسٹم آپریٹنگ حالات کے لحاظ سے 95% سے زیادہ کی گولڈ ریکوری ریٹ حاصل کرتے ہیں۔

3. کیا نظام ماحول دوست ہے؟

ہاں، جدید نظام اخراج کو کم کرنے اور کیمیائی فضلہ کو کم کرنے کے لیے بنائے گئے ہیں۔

4. کیا یہ اپنی مرضی کے مطابق کیا جا سکتا ہے؟

ہاں، EPIC جیسی کمپنیاں پروسیسنگ کی ضروریات کی بنیاد پر حسب ضرورت حل پیش کرتی ہیں۔

5. کون سی صنعتیں اس نظام کو استعمال کرتی ہیں؟

بنیادی طور پر سونے کی کان کنی کی صنعت، بلکہ قیمتی دھات کی وصولی کی ایپلی کیشنز میں بھی۔


نتیجہ

دیڈیسورپشن الیکٹرولیٹک سسٹمسونے کی بازیابی کی ٹیکنالوجی میں ایک پیش رفت کی نمائندگی کرتا ہے، جو بے مثال کارکردگی، وشوسنییتا، اور ماحولیاتی کارکردگی پیش کرتا ہے۔ جیسے صنعت کے رہنماؤں کی طرف سے مسلسل ترقی کے ساتھEPICیہ نظام جدید کان کنی کے کاموں کے لیے تیزی سے ضروری ہوتا جا رہا ہے۔ اگر آپ اپنے سونا نکالنے کے عمل کو بہتر بنانے اور منافع کو بہتر بنانے کے خواہاں ہیں، تو اعلیٰ معیار کے نظام میں سرمایہ کاری ایک زبردست انتخاب ہے۔ہم سے رابطہ کریں۔آج اس بارے میں مزید جاننے کے لیے کہ ہم آپ کی ضروریات کے لیے موزوں حل کیسے فراہم کر سکتے ہیں۔

انکوائری بھیجیں۔

X
ہم آپ کو براؤزنگ کا بہتر تجربہ پیش کرنے ، سائٹ ٹریفک کا تجزیہ کرنے اور مواد کو ذاتی نوعیت دینے کے لئے کوکیز کا استعمال کرتے ہیں۔ اس سائٹ کا استعمال کرکے ، آپ کوکیز کے ہمارے استعمال سے اتفاق کرتے ہیں۔ رازداری کی پالیسی