سائانائڈنگ آلات سونے کی بازیابی اور سائٹ کی حفاظت کو کس طرح بہتر بناتے ہیں؟

اگر آپ نے کبھی محسوس کیا ہے کہ سائینیڈیشن "موثر ، لیکن دباؤ" ہے ، تو آپ اس کا تصور نہیں کررہے ہیں۔ کیمسٹری کام کرتی ہے-اس کے بعد روزانہ کی حقیقت گندا ہوسکتی ہے: متغیر ایسک ، ریجنٹ اوور اسپینڈنگ ، کاربن کے نقصانات ، غیر متوقع طور پر ٹائم ٹائم ، اور محفوظ اور مستقل طور پر کام کرنے کے لئے مستقل دباؤ۔ یہ مضمون کیا ٹوٹ جاتا ہےسائانائڈنگ کا ساماناصل میں آپ کے ل do کرنا چاہئے ، خریدنے سے پہلے کیا پوچھنا ہے ، اور مہنگی غلطیوں سے کیسے بچنا ہے۔


خلاصہ

جدیدسائانائڈنگ کا سامانیہ صرف ٹینکوں کا ایک مجموعہ نہیں ہے - یہ ایک منسلک نظام ہے جو لیچنگ کے حالات کو کنٹرول کرنے ، بازیابی کو مستحکم کرنے ، ریجنٹ کچرے کو کم کرنے اور سائانائڈ ہینڈلنگ کو پیش گوئی کرنے کے لئے ڈیزائن کیا گیا ہے۔ خریدار عام طور پر چار درد پوائنٹس کے ساتھ جدوجہد کرتے ہیں: متضاد بحالی ، اعلی آپریٹنگ لاگت ، حفاظتی کنٹرول کمزور ، اور بحالی کا سر درد۔ ذیل میں ، آپ کو سائانائڈنگ ماڈیولز (لیچنگ ، ​​جذب ، ڈیسورپشن/الیکٹروئننگ ، ڈیٹوکس ، اور آلہ سازی) ، ایک سلیکشن میٹرکس ، کمیشننگ ٹپس ، اور ایک عمومی سوالنامہ سیکشن جس کا استعمال آپ سپلائر گفتگو کے دوران استعمال کرسکتے ہیں اس کے بارے میں ایک عملی ، پودوں کی منزل کا نظارہ حاصل کریں گے۔


مشمولات کی جدول


ایک نظر میں خاکہ

  • ایک مکمل ، قابل کنٹرول آلات کے دائرہ کار میں "مجھے سائانائڈیشن کی ضرورت ہے" کا ترجمہ کریں۔
  • شناخت کریں کہ کون سا ماڈیول آپ کے نقصانات (بازیابی ، ریجنٹ ، کاربن ، یا ٹائم ٹائم) چلا رہا ہے۔
  • اپنی ایسک قسم اور رکاوٹوں کے حل کا موازنہ کرنے کے لئے ایک سادہ میٹرکس کا استعمال کریں۔
  • ایک چیک لسٹ کے ساتھ سپلائر میٹنگوں میں چلیں جو کمزور ڈیزائنوں کو تیزی سے بے نقاب کرتا ہے۔

اصل خریدار کے درد کی نشاندہی

جب لوگ خریداری کرتے ہیںسائانائڈنگ کا سامان، وہ اکثر کہتے ہیں "مجھے زیادہ صحت یابی کی ضرورت ہے۔" ان کا عام طور پر مطلب یہ ہے کہ: "مجھے بازیافت کی ضرورت ہے جو اونچائی میں رہتا ہے یہاں تک کہ جب ایسک تبدیل ہوتا ہے ، آپریٹرز گھومتے ہیں ، اور سائٹ دور دراز ہے۔" یہاں درد کے نکات ہیں جو بار بار ظاہر ہوتے ہیں:

  • بازیابی کے جھولےایسک کی تغیر ، پیسنے کے مسائل ، آکسیجن کی حدود ، یا پی ایچ پر ناقص کنٹرول کی وجہ سے۔
  • ریجنٹ لاگت رینگناسائینائڈ یا چونے کی زیادہ مقدار سے "صرف محفوظ رہنے کے لئے۔"
  • کاربن کے مسائلجیسے فاؤلنگ ، عدم استحکام کا نقصان ، یا ناقص جذباتی حرکیات۔
  • ڈاؤن ٹائمپمپ/والو کی ناکامیوں ، کھرچنے والی گندگی پہننے ، یا مشکل سے رسائی کی ترتیب سے۔
  • حفاظت کا تناؤسائانائڈ اسٹوریج ، خوراک ، اور ہنگامی ردعمل کی تیاری کے آس پاس۔

اچھے سامان کا ڈیزائن تمام پیچیدگیوں کو ختم نہیں کرتا ہے ، لیکن اس سے اندازہ لگایا جانا چاہئے۔


کیا "سائانائنگ آلات" شامل ہیں

Cyaniding Equipment

کم از کم ،سائانائڈنگ کا سامانایک ایسے نظام کے طور پر سمجھنا چاہئے جو ان افعال کی حمایت کرتا ہے:

  • لیچنگ: تحلیل کے ل time وقت ، اختلاط اور کیمسٹری کا کنٹرول فراہم کریں۔
  • سونے کی گرفتاری: چالو کاربن (CIP/CIL) یا بارش کے راستوں پر جذب۔
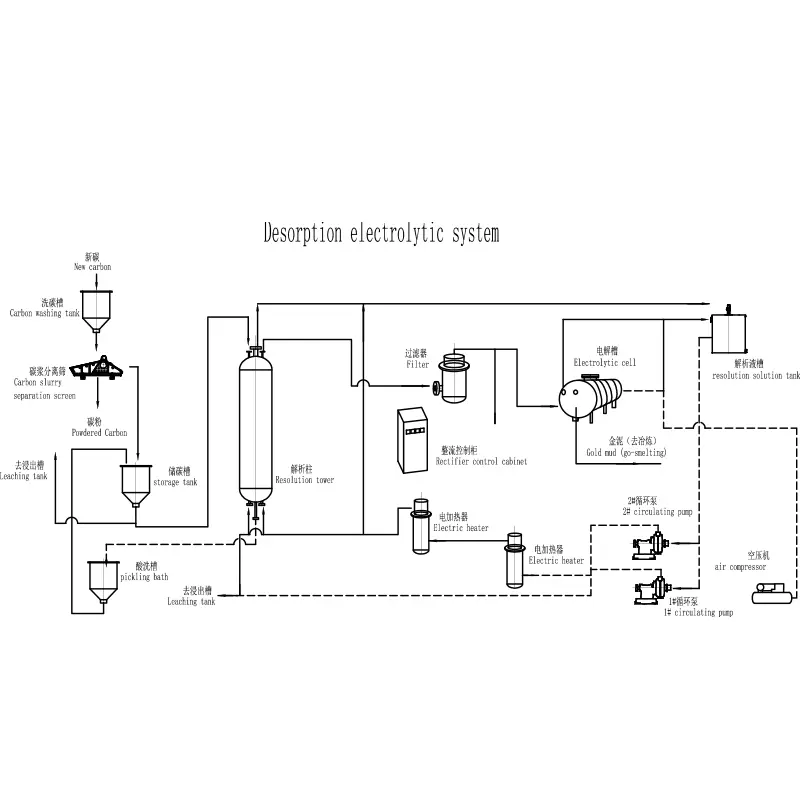
  • سونے کی بازیابی: ڈیسورپشن اور الیکٹروئننگ (یا متبادل بحالی سرکٹس)۔
  • ڈیٹوکس اور ٹیلنگ ہینڈلنگ: قابل قبول سطح پر بقایا سائانائڈ کو کم کریں۔
  • اوزار اور کنٹرول: پییچ کی پیمائش اور استحکام ، تحلیل آکسیجن ، بہاؤ اور خوراک۔

اگر کوئی سپلائر صرف "ٹینکوں" کے بارے میں بات کرتا ہے تو ، انہیں پورے بہاؤ اور کنٹرول پوائنٹس کی وضاحت کرنے کے لئے دبائیں۔ سائینیڈیشن لیب کے حالات میں معاف کر رہا ہے۔ یہ افراتفری کے میدان میں معاف نہیں کررہا ہے۔


ایسک سے ڈوری تک ایک واضح عمل کا نقشہ

جب کہ ہر پودا مختلف ہوتا ہے ، زیادہ تر سائینائڈیشن راستے ایک قابل شناخت ریڑھ کی ہڈی کی پیروی کرتے ہیں۔ اس نقشے کو بے ہودہ چیک کرنے کے لئے استعمال کریں کہ آیا کوئی مجوزہ پیکیج مکمل ہے:

شاہی اسے کیا حاصل کرنا چاہئے عام "پوشیدہ" خطرہ
پہلے سے علاج (ضرورت کے مطابق) سونے کو قابل رسائی بنائیں اور سائینائڈ کھپت کے بڑھتے ہوئے اسپائکس کو روکیں پریگ روبنگ ، اعلی تانبے ، یا رد عمل والے سلفائڈز کو نظرانداز کرنا
لیچنگ مستحکم اختلاط ، کنٹرول پییچ ، اور کافی آکسیجن مردہ زون ، ناقص آکسیجن کی منتقلی ، کمزور چونے کے نظام سے غلط پییچ
جذب (CIL/CIP) تحلیل شدہ سونے کو موثر انداز میں پکڑیں غلط کاربن سائز/منتقلی کا طریقہ ؛ کاربن کے نقصانات
elution / desorption کاربن سے قابل اعتماد طریقے سے سونے کی پٹی لگائیں متضاد حرارتی/بہاؤ کم اتارنے کی کارکردگی کا باعث بنتا ہے
الیکٹروئننگ / سونگھ بازیافت اور ڈور پیدا کریں کم خلیوں ، ناقص الیکٹرولائٹ مینجمنٹ ، کیچڑ سے نمٹنے کے مسائل
ڈیٹوکس خارج ہونے والے مادہ/ٹیلنگ سے پہلے بقایا سائانائڈ کو کم کریں ڈیزائن ان پٹ تغیرات یا ٹیلنگ کیمسٹری سے مماثل نہیں ہے

کلیدی ماڈیولز اور کیا چیک کریں

1) لیکچنگ ٹینک اور اشتعال انگیزی

  • کیا اختلاطی ڈیزائن آپ کی گندگی کے کثافت اور کھردری کے لئے موزوں ہے؟
  • کیا سسٹم مستحکم پییچ کو ایسک تغیر کے تحت برقرار رکھ سکتا ہے؟
  • کیا آپ کی سائٹ پر آکسیجن کا اضافہ عملی ہے (اور کیا آکسیجن کی منتقلی کو ڈیزائن میں سمجھا جاتا ہے)؟
  • کیا ترتیب امپیلرز ، لائنر اور بیرنگ کے آسانی سے معائنہ کرنے کی اجازت دیتا ہے؟

2) کاربن جذب اور منتقلی

  • کیا انٹراسٹیج اسکرینیں کاربن کیریور کو روکنے کے لئے کافی مضبوط ہیں؟
  • کیا کاربن کی منتقلی ٹوٹ پھوٹ اور نقصان کو کم کرنے کے لئے انجنیئر ہے؟
  • کیا صاف ستھرا اور کاربن انوینٹری کنٹرول کے لئے ڈیزائن دوستانہ ہے؟

3) ڈیسورپشن اور الیکٹروئننگ

  • کیا الیوشن سرکٹ آپ کے کاربن لوڈنگ کی توقعات سے مماثل ہے؟
  • کیا حرارتی اور بہاؤ کنٹرول مستحکم ہیں ("آپریٹر پر منحصر" نہیں)؟
  • کیا کیچڑ کو سنبھالنے کی منصوبہ بندی کی گئی ہے ، تیار نہیں ہے؟

4) سائینائڈ ڈوزنگ اور پیمائش

  • کیا خوراک خود کار طریقے سے انٹلاکس ، یا مکمل طور پر دستی کے ساتھ ہے؟
  • حقیقی کان کے ماحول میں انشانکن اور سینسر کی بحالی کا کیا منصوبہ ہے؟
  • کیا نمونے لینے کے مقامات محفوظ اور اچھی طرح سے پوزیشن میں ہیں ، یا اس کے بعد کی سوچ؟

5) ڈیٹوکس

  • کیا آپ کے خارج ہونے والے مادہ کے اہداف اور ٹیلنگ کیمسٹری پر مبنی ڈیٹوکس ڈیزائن ہے؟
  • کیا یہ بند کرنے پر مجبور کیے بغیر قلیل مدتی اسپائکس کو سنبھال سکتا ہے؟

عملی اشارہ:ایک تجویز جو کاغذ پر سستی نظر آتی ہے اکثر لاگت کو آپریشنوں میں دھکیل دیتی ہے۔ بل بعد میں پہنچا۔


سائز اور تفصیلات کی بنیادی باتیں

آپ کے بجٹ کی حفاظت کرنے والے سائز کے سوالات پوچھنے کے ل You آپ کو میٹالرجسٹ بننے کی ضرورت نہیں ہے۔ کے لئےسائانائڈنگ کا سامان، بنیادی سائز کی منطق تھرو پٹ ، رہائش کے وقت اور بڑے پیمانے پر منتقلی کے گرد گھومتی ہے۔ کسی بھی حتمی ڈیزائن کو قبول کرنے سے پہلے ، یقینی بنائیں کہ ان آدانوں کو واضح طور پر بیان کیا گیا ہے:

  • ڈیزائن تھروپپٹ(اوسط اور چوٹی ، نیز متوقع موسمی تغیر)۔
  • ہدف پیسنا سائزاور کیا ہوتا ہے اگر مل موٹے ہوجاتی ہے۔
  • لیچ رہائش کا وقتاور چاہے یہ ٹیسٹوں یا مفروضوں پر مبنی ہو۔
  • پییچ اور الکلیٹی پلان(بشمول چونے کی تیاری اور خوراک استحکام)۔
  • آکسیجن حکمت عملی(ہوا ، آکسیجن ، یا کوئی نہیں) اور متحرک افراد پر متوقع اثر۔
  • کاربن انوینٹری(کتنا کاربن ، جہاں بیٹھتا ہے ، اور اس کی نگرانی کیسے کی جاتی ہے)۔

اگر کوئی سپلائر سادہ زبان میں ان کی وضاحت نہیں کرسکتا ہے تو ، اسے ایک رسک سگنل کے طور پر سلوک کریں - کسی تکنیکی کو نہیں۔


حفاظت اور سائانائڈ کنٹرول جو حقیقت میں برقرار ہے

حفاظت دیوار پر پوسٹر نہیں ہے۔ سائینیڈیشن کے ساتھ ، یہ جسمانی ڈیزائن اور معمول کے کنٹرول میں بنایا گیا ہے۔ مضبوطسائانائڈنگ کا سامانپیکیجوں میں عام طور پر شامل ہیں:

  • اسٹوریج اور ٹرانسفر پر مشتمل ہےواضح اسپل راستوں اور بنڈنگ منطق کے ساتھ۔
  • انٹلاکڈ ڈوزنگلہذا جب اہم حالات پوری نہیں ہوتے ہیں تو سائانائڈ شامل نہیں کیا جاسکتا۔
  • نمونے لینے کا واضح ڈیزائنجو معمول کی جانچ پڑتال کے دوران نمائش کے خطرے کو کم کرتا ہے۔
  • ہنگامی تیاریآپریٹنگ طریقہ کار کے ایک حصے کے طور پر ، ایک ایڈ آن دستاویز نہیں۔

خریدار کے نقطہ نظر سے ، آپ کا کام آسان ہے: اس تجویز کو یہ ظاہر کرنے پر مجبور کریں کہ لوگ سسٹم کے ساتھ کس طرح بات چیت کرتے ہیں۔ وہ کہاں کھڑے ہیں؟ وہ کیا چھوتے ہیں؟ وہ سامان کو کس طرح الگ تھلگ کرتے ہیں؟ وہ 2 بجے صبح پمپ مہر کی ناکامی کا کیا جواب دیتے ہیں؟


جہاں آپریٹنگ لاگت واقعی میں آتی ہے

اگر آپ کی لاگت فی اونس اوپر کی طرف بڑھ رہی ہے تو ، یہ عام طور پر ایک ڈرامائی ناکامی نہیں ہوتی ہے - اس نظام میں یہ چھوٹی سی رساو ہے جو کمپاؤنڈ ہے۔ سائینیڈیشن میں ، سب سے عام لاگت والے ڈرائیور یہ ہیں:

  • cyanide استعمالرد عمل معدنیات ، زیادہ مقدار میں عادات ، یا ناقص کنٹرول لوپس کے ذریعہ کارفرما ہے۔
  • چونے کی کھپتجب پییچ کنٹرول غیر مستحکم یا گندگی والی کیمسٹری کو اچھی طرح سے نہیں سمجھا جاتا ہے۔
  • کاربن کا نقصانعدم استحکام ، اسکرین کے مسائل ، یا منتقلی کا ناقص ڈیزائن کے ذریعے۔
  • طاقت اور بحالیضرورت سے زیادہ اشاعت ، کم ڈیزائن والے حصے ، اور خدمت کی سخت ترتیب سے۔
علامت ممکنہ طور پر بنیادی وجہ سامان کی خصوصیت جو مدد کرتی ہے
جب ایسک تبدیل ہوتا ہے تو بازیابی میں کمی آتی ہے PH/do عدم استحکام ؛ ناقص اختلاط ؛ رہائش کا ناکافی وقت مضبوط اشتعال انگیزی ، بہتر کنٹرول آلات ، لچکدار ٹینک کی گنجائش
سائینائڈ خرچ بڑھتا رہتا ہے زیادہ مقدار میں ؛ اعلی سائانائڈ استعمال کرنے والی معدنیات ؛ ناقص پیمائش کنٹرول شدہ خوراک ، قابل اعتماد نمونے لینے کے مقامات ، ہوشیار انٹر لاکس
کاربن انوینٹری "پراسرار طور پر" سکڑ جاتی ہے اسکرین کی ناکامی ؛ منتقلی کے نقصانات ؛ عدم استحکام پائیدار انٹراسٹیج اسکرینیں ، نرم منتقلی کا ڈیزائن ، واضح کاربن اکاؤنٹنگ
بار بار بند حصے پہنیں ، پمپ سگ ماہی ، رسائی کے مسائل لباس مزاحم مواد ، بحالی تک رسائی ، معیاری اسپیئرز

قابل اعتماد اور بحالی کا ڈیزائن

Cyaniding Equipment

ایک سائینیڈیشن سرکٹ "مکمل" نظر آسکتا ہے اور پھر بھی ناقابل اعتماد ہوسکتا ہے اگر بحالی کو ڈیزائن نہیں کیا گیا تھا۔ پوچھیں کہ سپلائر کس طرح قریب آتا ہے:

  • مواد کا انتخابکھرچنے والی گندگی والے زون اور سائانائڈ-رابطہ زون کے لئے۔
  • رسائیاسکرینوں ، امپیلرز ، لائنر ، پمپوں اور آلہ سازی کے لئے۔
  • اسپیئر پارٹس کی حکمت عملیجو آپ کی سائٹ کی حقیقت (لیڈ ٹائمز ، لاجسٹکس ، ذخیرہ) سے مماثل ہے۔
  • معیاریمنفرد لباس اشیاء کی تعداد کو کم کرنے کے لئے۔

دور دراز کی کارروائیوں میں ، "برقرار رکھنے میں آسان" "کاغذ پر قدرے زیادہ موثر" سے زیادہ قیمت ہوسکتی ہے۔


سپلائر سوالات جو آپ سے پوچھنا چاہئے

اجلاسوں میں اس چیک لسٹ کا استعمال کریں۔ یہ بات چیت کو بحث میں بدلنے کے بغیر ، کمزور تجاویز کو تیزی سے سطح کے لئے ڈیزائن کیا گیا ہے۔

  • ایسک کے کون سے خطرات کو دور کیا جاتا ہے ، اور کون سے فعال طور پر انجنیئر ہیں؟
  • رہائش کے وقت ، پییچ رینج ، اور آکسیجن حکمت عملی کے لئے ڈیزائن ان پٹ کیا ہیں؟
  • سائینائڈ ڈوزنگ کو کس طرح کنٹرول کیا جاتا ہے ، اور سینسر کی ناکامی کے دوران کیا ہوتا ہے؟
  • معمول کی کارروائیوں میں کاربن کے نقصان کو کیسے روکا جاتا ہے اور اس کی پیمائش کیسے کی جاتی ہے؟
  • اسکرینوں ، مشتعل افراد اور پمپوں کے لئے بحالی تک رسائی کا منصوبہ کیا ہے؟
  • فی شفٹ آپریٹر چیک کیا ہیں ، اور انہیں کیسے محفوظ بنایا جاتا ہے؟
  • کون سا کمیشننگ سپورٹ شامل ہے ، اور آپریٹر کی کون سی تربیت فراہم کی جاتی ہے؟

اگر آپ دکانداروں کا جائزہ لے رہے ہیں تو ، اس سے کسی ایسے صنعت کار سے بات کرنے میں مدد مل سکتی ہے جو مکمل سائینائڈیشن پیکیج فراہم کرسکے اور انضمام کی تفصیلات کی حمایت کرسکے۔ مثال کے طور پر ، چنگ ڈاؤ مہاکاوی کان کنی مشینری کمپنی ، لمیٹڈکان کنی پروسیسنگ کے سازوسامان کے حل فراہم کرتا ہے جہاں سائینیڈیشن پیکجوں کو سسٹم کے طور پر سمجھا جاتا ہے۔


سوالات

کیا بنیادی کے بجائے سائینائڈنگ آلات کو "جدید" بناتا ہے؟

جدید ڈیزائنوں پر قابو پانے اور تکرار کرنے پر توجہ مرکوز ہے: مستحکم خوراک ، قابل اعتماد پیمائش ، محفوظ نمونے لینے ، مضبوط لباس پہننے کا تحفظ ، اور وہ ترتیب جو آپریٹر کی اصلاح کو کم کرتے ہیں۔ مقصد کم ریجنٹ کچرے اور کم شٹ ڈاؤن کے ساتھ مستقل بازیابی ہے۔

کیا سائانائنگ کا سامان معاشی طور پر کم درجے کی ایسک کو سنبھال سکتا ہے؟

یہ ہوسکتا ہے ، لیکن صرف اس صورت میں جب سرکٹ آپ کے متحرک اور کھپت کے پروفائل کے ارد گرد انجنیئر ہو۔ کم درجے کی کارروائیوں میں ریجنٹ اوور اسپیسنگ اور ٹائم ٹائم کے ل sensitive حساس ہوتا ہے ، لہذا کنٹرول سسٹم ، ڈیزائن ڈیزائن ، اور کاربن مینجمنٹ خاص طور پر اہم ہوجاتے ہیں۔

مجھے کیسے پتہ چلے گا کہ اگر مجھے سی آئی پی یا سی آئی ایل کی ضرورت ہے؟

انتخاب عام طور پر لیچ کینیٹکس پر منحصر ہوتا ہے اور تحلیل شدہ سونے کو کتنی جلدی پکڑا جانا چاہئے۔ اگر سونا تیزی سے گھل جاتا ہے اور آپ فوری گرفتاری چاہتے ہیں تو ، CIL پرکشش ہوسکتا ہے۔ اگر جذب سے پہلے علیحدگی سے فائدہ اٹھانا ، سی آئی پی بہتر فٹ ہوسکتا ہے۔ میٹالرجیکل ٹیسٹ اور عملی سائٹ کی رکاوٹوں کو فیصلہ کرنا چاہئے۔

سائینائڈ کی کھپت کبھی کبھی اچانک کیوں بڑھ جاتی ہے؟

عام وجوہات میں ایسک معدنی تبدیلیاں ، ناقص پییچ کنٹرول ، غیر متوقع آکسیجن کی حدود ، یا عمل کے پانی میں آلودگی شامل ہیں۔ ایک اچھا کنٹرول پلان پلس قابل اعتماد نمونے لینے کے پوائنٹس ان اسپائکس کو تشخیص اور فوری طور پر درست کرنے میں آسان بناتے ہیں۔

اگر میری سائٹ دور دراز اور شارٹ اسٹافڈ ہے تو مجھے کیا ترجیح دینی چاہئے؟

برقرار رکھنے اور آٹومیشن کو ترجیح دیں جو دستی ہینڈلنگ کو کم کرتا ہے: پائیدار اسکرینیں ، قابل رسائی سامان کی ترتیب ، معیاری اسپیئرز ، انٹلاکڈ ڈوزنگ ، اور واضح آپریٹنگ معمولات جو "ایک ماہر آپریٹر" پر انحصار نہیں کرتے ہیں۔


لپیٹنا

خریدناسائانائڈنگ کا سامانبالآخر غیر یقینی صورتحال کو کم کرنے کے بارے میں ہے۔ کیمسٹری ثابت ہوسکتی ہے ، لیکن آپ کے منافع کا انحصار مستقل کنٹرول ، عملی دیکھ بھال اور حفاظت پر ہے جو حقیقی لوگوں کے ساتھ حقیقی تبدیلیوں پر کام کرتا ہے۔ اگر آپ کسی نئے پلانٹ کی منصوبہ بندی کر رہے ہیں یا کسی موجودہ سرکٹ کو اپ گریڈ کررہے ہیں تو ، اپنے ایسک کی حقائق ، تھروپٹ اہداف اور سائٹ کی رکاوٹوں کو میز پر لائیں - اور اس تجویز پر اصرار کریں جو سائینیڈیشن کو ایک مکمل ، قابل کنٹرول نظام کے طور پر پیش کرتا ہے۔

آپ کے سائینیڈیشن پلان کو قابل اعتماد ، لاگت سے مستحکم آپریشن میں تبدیل کرنے کے لئے تیار ہیں؟اپنی ایسک کی قسم ، ہدف کی گنجائش ، اور سائٹ کے حالات ، اورہم سے رابطہ کریںعملی سامان کی تشکیل پر تبادلہ خیال کرنے کے لئے جو آپ کے پودے اور آپ کے آپریٹرز کے مطابق ہے۔

انکوائری بھیجیں۔

X
ہم آپ کو براؤزنگ کا بہتر تجربہ پیش کرنے ، سائٹ ٹریفک کا تجزیہ کرنے اور مواد کو ذاتی نوعیت دینے کے لئے کوکیز کا استعمال کرتے ہیں۔ اس سائٹ کا استعمال کرکے ، آپ کوکیز کے ہمارے استعمال سے اتفاق کرتے ہیں۔ رازداری کی پالیسی